Rangkaian DOL Starting Motor Induksi

 

DOL Starting Motor Induksi
DOL Starting Motor Induksi

Motor induksi merupakan jenis motor listrik yang paling banyak digunakan dalam teknologi industri sebagai mesin penggerak, seperti penggerak pada pompa, blower, kipas, mesin vacuum, conveyor, elevator, lifter, vibrator, compressor, dan lain-lain.

 

Dalam klasifikasi mesin-mesin listrik, motor listrik ac (alternating current) dibagi menjadi dua jenis, yaitu motor sinkron dan motor induksi (asinkron). Sebelumnya, kami menulis artikel tentang “Metoda Starting Motor Sinkron (SynchronousMotor)”, bila kalian tertarik, kalian dapat membacanya. Dalam hal starting, berbeda dengan motor sinkron yang tidak memiliki kemampuan self starting, motor induksi memiliki kemampuan self starting sehingga metoda yang digunakan untuk melakukan running menjadi lebih mudah.

 

Untuk melakukan running sebuah motor induksi, terdapat beberapa Teknik untuk menyuplai daya listrik terhadap belitan statornya. Setiap Teknik akan memiliki rangkaian starting yang berbeda, dan tentunya juga memiliki kelebihan dan kekurangannya masing-masing. Beberapa Teknik starting motor induksi tersebut adalah sebagai berikut:

 

1. Direct on the line (DOL starting)

2. Star-delta starting

3. Autotransformer starter

4. Resistive starter

5. Variable speed/frequency drive (VSD/VFD)

 

Pada kesempatan kali ini, kami hanya akan membahas mengenai rangkaian DOL starting (direct in the line) motor induksi, dan semoga kami dapat membahas rangkaian starting motor induksi jenis lainnya pada artikel selanjutnya.

 

Perlu kalian ingat, pada saat melakukan starting motor induksi, dapat mengalir arus listrik sebesar 5 hingga 8 kali lipat dari full load ampere (FLA) sebuah motor induksi. Arus besar sesaat ini biasa disebut inrush current atau starting current. Bila kalian tertarik tentang topik inrush current, kalian dapat membaca artikel kami yang berjudul “Cara MenghitungInrush Current Motor Induksi”.

 

Pada Teknik DOL starting (direct on the line), tidak ada peredam inrush current, sehingga pada umumnya metoda ini banyak digunakan karena lebih ekonomis dan cenderung sangat cocok untuk motor induksi dengan rating dibawah 5 kW, karena arus starting nya tidak terlalu signifikan mengganggu jaringan listrik. Sedangkan untuk motor dengan kapasitas diatas 5 kW, umumnya digunakan rangkaian starting lainnya untuk meredam nilai inrush current.

 

Rangkaian DOL Starting Motor Induksi

 

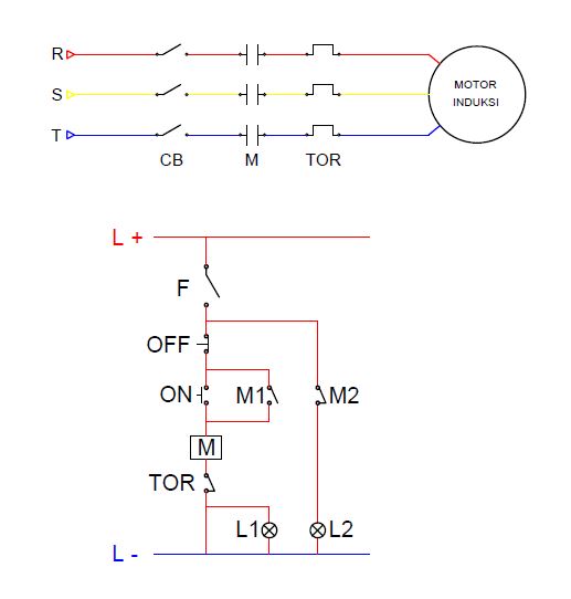
Berikut adalah gambar rangkaian DOL (direnct on the line) starting dasar untuk motor induksi.

 

Rangkaian Daya dan Control DOL Starting Motor Induksi
Rangkaian Daya dan Control DOL Starting Motor Induksi

Pada gambar bagian atas, merupakan rangkaian daya. Sedangkan pada gambar bagian bawah merupakan rangkaian kontrol. Rangkaian daya terdiri dari komponen circuit breaker (CB), magnetic contactor (M) dan thermal overload relay (TOR). CB dapat berupa MCB atau MCCB, berfungsi sebagai proteksi sistem rangkaian dari gangguan short circuit. Magnetic contactor atau para praktisi lebih sering menyebutnya kontaktor, berfungsi sebagai saklar daya yang dapat bertindak open/close dengan dikontrol oleh tegangan suplai pada coil relay nya. Kemudian TOR berfungsi sebagai alat proteksi terhadapa kondisi overload/overcurrent. R, S, T adalah tegangan suplai sistem 3 phase, dapat bernilai 220/380V atau 380/660V, sesuai kebutuhan motor induksi yang digunakan.

 

Kemudian pada rangkaian kontrol, tegangan suplai kami simbolkan dengan L+ dan L-. nilai tegangan suplai dapat bernilai 24Vdc atau 220Vac, atau bahkan nilai lainnya sesuai spesifikasi desain. Komponen F dapat menggunakan MCB 1 phase maupun fuse, fungsinya memproteksi dari kondisi short circuit. Kemudian OFF merupakan push button NC (normally close), dan ON merupakan push button NO (normally open). M adalah coil relay dari komponen magnetic contactor, M1 dan M2 adalah auxiliary contact NO dan NC dari kontaktor, TOR adalah ralay kontak NC dari komponen TOR dan L1, L2 adalah pilot lamp indicator ON (biasanya warna hijau) dan OFF (biasanya warna merah).

 

Proses kerja rangkaian kontrolnya adalah, ketika operator menekan push button ON, maka coil relay kontaktor (M) mendapat tegangan suplai (energized), M1 yang awalnya open berubah menjadi close sehingga listrik tetap mengalir melalui M meskipun push button ON sudah dilepaskan (open kembali).  Maka kontaktor pada rangkaian daya juga akan close bersamaan dengan coil M energized, sehingga daya suplai R,S,T mengalir menuju motor induksi dan motor akan running. Pada saat coil M energized, L1 menyala dan L2 mati karena relay contact M2 yang awalnya close berubah menjadi open.

 

Sebaliknya, ketika operator menekan push button OFF, maka aliran daya kontrol terputus dan coil relay M akan deenergized, sehingga kontaktor open dan suplay daya pada motor induksi terhenti. Pada kondisi ini, L1 mati dan L2 menyala. Apabila TOR pada rangkaian daya merasakan overload/overcurrent, contact relay TOR pada rangkaian kontrol akan terbuka sehingga motor tidak bisa running, atau bila sedang running, suplai daya akan berhenti secara otomatis dan motor induksi akan stop.

 

Pada kasus tertentu, terkadang motor induksi yang bagus dilengkapi dengan komponen thermostat didalam belitannya. Fungsinya adalah untuk proteksi belitan motor dari kondisi overheat. Maka, thermostat tersebut dapat dimasukan dalam rangkaian kontrol starting seperti gambar berikut.

 

Wiring Thermostat Motor Induksi Pada DOL Starting
Wiring Thermostat Motor Induksi Pada DOL Starting

Thermostat didalam motor induksi bertindak seperti switch, apabila didalam motor suhunya terlalu panas, maka thermostat bertindak layaknya saklar terbuka, sehingga memutus rangkaian kontrol. Bila suhu turun dibawah limit thermostat, maka thermostat bertindak sebagai saklar tertutup sehingga motor dapat running kembali.

 

Kemudian, pada kasus lain, terkadang motor induksi perlu dijalankan dengan otomatis running dan stop sesuai kondisi tertentu. Maka rangkaian kontrol DOL startingnya menjadi seperti berikut.

 

Rangkaian DOL Starting Untuk Manual dan Auto Mode
Rangkaian DOL Starting Untuk Manual dan Auto Mode

Komponen S adalah selector switch yang digunakan untuk memilih mode automatic (A), mode manual (M) atau kondisi OFF (0). Apabila S dipilih mode manual (M), maka cara kerja rangkaian kontrol sama dengan rangkaian dasar yang sudah kami jelaskan di atas. Namun, bila dipilih mode automatic, maka push button ON, push button OFF dan contact M1 menjadi tidak mempengaruhi rangkaian. Akan tetapi, putus atau tersambungnya rangkaian ditentukan oleh kondisi control switch (open/close). Control switch ini dapat berupa pressure switch (kontrol tekanan), thermostat (kontrol suhu), atau contact relay dari berbagai macam controller.

 

Komponen Rangkaian DOL Starting

 

Berikut adalah beberapa contoh gamabr komponen-komponen utama rangkaian DOL starting untuk motor induksi.

 

1. MCB 3 Phase Atau MCB 1 Phase

 

MCB 3 Phase Atau MCB 1 Phase
MCB 3 Phase Atau MCB 1 Phase

2. Magnetic Contactor

 

Magnetic Contactor
Magnetic Contactor

3. Thermal Overload Relay

 

Thermal Overload Relay
Thermal Overload Relay

4. Push Button NC dan NO

 

Push Button NC dan NO
Push Button NC dan NO

5. Pilot Lamp

 

Pilot Lamp
Pilot Lamp

Demikian penjelasan mengenai rangkaian direct on the line (DOL) starting motor induksi. Untuk diskusi lebih jauh, silahkan tinggalkan komentar kalian.

 

Penulis : ER

 

0 Response to "Rangkaian DOL Starting Motor Induksi"

Post a Comment

Iklan Atas Artikel

Iklan Tengah Artikel 1

Iklan Tengah Artikel 2

Iklan Bawah Artikel